圣音电机以三部分构造面构成,减速机,马达,刹车三部分组成。
减速机:减速机壳体采用高张力材质铸铁(FC25)制造,采用高精度电脑CNC切削中心机及电脑CNC车床加工,齿轮采用合金钢材料,经真空渗碳热处理,心轴校正研磨,耐磨,耐冲撞,安全系数高,使用寿命长。
马达:马达线圈采用石棉及清漆工艺使的线圈不宜被击穿,且高性能,高转矩,马达本身容易散热,耐高电压可达1500V以上,电流小,体积小,输出齿功率强劲,可高频率使用。
电磁刹车:采用直流式刹车,制动力强,螺栓直接调整制动力,使用寿命长,安全性高。
KF-500缓冲型圣音电机专用马达A-500 B-500 H-500 K-500,带缓冲。
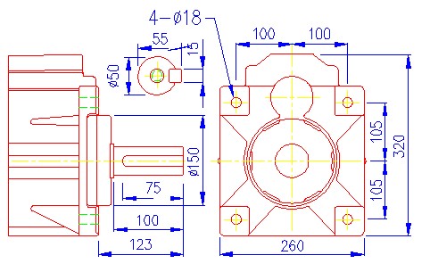
功率:4P功率3.75KW(5HP)、6P功率2.2KW(3HP)、2.2/1.1KW极数4/8P、2.2/0.75KW极数4/12P
减速比:A-500减速比18.5:1、B-500减速比15.3:1、H-500减速比12:1、K-500减速比10:1
电压:220V-600V
输出轴径:50*100

| KFA-500 KFB-500 KFH-500 KFK-500缓冲型 | |||||||
| 重量:112kg 长度:60cm | |||||||
| 型号 | 马力 | 级数 | 电压 | 减速比 | 转速RPM | 转出轴径 | |
| MODEL | Kw(HP) | P | VOLTAGE | SPEED RATID | 50HZ | 60HZ | |
| KFA-500 | 3.75KW(5HP) | 4 | 220V-600 | 18.5:1 | 80 | 95 | 50x100 |
| 2.2KW(3HP) | 6 | 53 | 63 | ||||
| 2.2/1.1 KW | 4-8 | 80/40 | 95/47 | ||||
| 2.2/0.75 KW | 4-12 | 80/26 | 95/31 | ||||
| KFB-500 | 3.75KW(5HP) | 4 | 15.3:1 | 93 | 112 | ||
| 2.2KW(3HP) | 6 | 61 | 75 | ||||
| 2.2/1.1 KW | 4-8 | 93/46 | 112/56 | ||||
| 2.2/0.75 KW | 4-12 | 93/30 | 112/37 | ||||
| KFH-500 | 3.75KW(5HP) | 4 | 12:01 | 123 | 148 | ||
| 2.2KW(3HP) | 6 | 82 | 98 | ||||
| 2.2/1.1 KW | 4-8 | 123/61 | 148/74 | ||||
| 2.2/0.75 KW | 4-12 | 123/41 | 148/49 | ||||
| KFK-500 | 3.75KW(5HP) | 4 | 10:01 | 143 | 172 | ||
| 2.2KW(3HP) | 6 | 94 | 116 | ||||
| 2.2/1.1 KW | 4-8 | 143/71 | 172/86 | ||||
| 2.2/0.75 KW | 4-12 | 143/47 | 172/58 | ||||
相关新闻欧式行走轮箱与减速机有哪些常见连接方式
如何判断立式堆高车包胶轮是否需要更换
主动走轮箱常见故障与维护重点
为什么医疗机器人选用聚氨酯轮